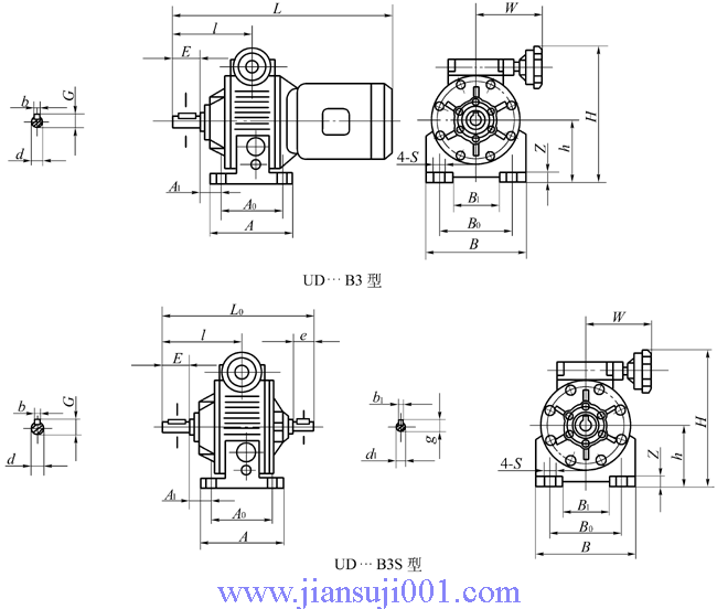
| UD系列行星錐盤(pán)無(wú)級(jí)變速器有地腳型的外形與安裝尺寸

UD…B3型(無(wú)法蘭端蓋有地腳)和B3S型(雙軸有地腳)外形及安裝尺寸 (mm)
|
型號(hào) |
安裝尺寸 |
輸出軸尺寸 |
輸入軸尺寸 |
外形尺寸 |
|
h |
A0 |
A1 |
B0 |
B1 |
Z |
S |
d(k6) |
b |
G |
E |
d1(k6) |
b1 |
g |
e |
A |
B |
l |
W |
H |
L0 |
L |
|
UD0.18 |
66 |
85 |
2 |
80 |
50 |
10 |
9 |
11 |
4 |
12.5 |
30 |
- |
- |
- |
- |
105 |
109 |
74 |
95 |
170 |
- |
312 |
|
UD0.25 |
70 |
94 |
48 |
106 |
70 |
10 |
9 |
14 |
5 |
16 |
30 |
14 |
5 |
16 |
30 |
120 |
136 |
94 |
105 |
185 |
208 |
346 |
|
UD0.37 |
75 |
94 |
48 |
110 |
75 |
10 |
9 |
14 |
5 |
16 |
30 |
14 |
5 |
16 |
30 |
120 |
145 |
94 |
105 |
195 |
208 |
346 |
|
UD0.55 |
90 |
105 |
72 |
130 |
90 |
15 |
11 |
19 |
6 |
21.5 |
40 |
19 |
6 |
21.5 |
40 |
135 |
170 |
121 |
110 |
230 |
240 |
400 |
|
UD0.75 |
90 |
105 |
72 |
130 |
90 |
15 |
11 |
19 |
6 |
21.5 |
40 |
19 |
6 |
21.5 |
40 |
135 |
170 |
121 |
110 |
230 |
240 |
400 |
|
UD1.1 |
106 |
125 |
85 |
160 |
104 |
15 |
13 |
24 |
8 |
27 |
40 |
22 |
6 |
24.5 |
40 |
150 |
200 |
141 |
135 |
250 |
270 |
455 |
|
UD1.5 |
125 |
140 |
95 |
180 |
130 |
18 |
13 |
24 |
8 |
27 |
50 |
22 |
6 |
24.5 |
50 |
170 |
230 |
154 |
135 |
290 |
305 |
500 |
|
UD2.2 |
150 |
230 |
25 |
245 |
190 |
25 |
14 |
30 |
8 |
33 |
60 |
24 |
8 |
27 |
50 |
270 |
300 |
191 |
166 |
350 |
387 |
588 |
|
UD3 |
588 |
|
UD4 |
608 |
|
UD5.5 |
200 |
250 |
33 |
315 |
225 |
30 |
18 |
35 |
10 |
38 |
70 |
32 |
10 |
35 |
60 |
290 |
365 |
201 |
194 |
447 |
428 |
714 |
|
UD7.5 |
754 | |